
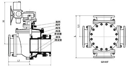
四通换向球阀结构特点
该四通换向球阀,一 阀实现正反供水切换,每转90 ,供水方式切换一次,以前需四个阀门,供水时阀1、4 开启,阀2、3关闭;反向供水时阀2、3开启,阀1、4 关闭(图一),现用一台四通球阀(图二)替代,操作方便。

|
产品型号
|
Q46F-10C-40
|
Q46F-10P-40P
|
|
阀体
|
WCB
|
CF8
|
|
球体
|
CF8
|
CF8
|
|
阀杆/固定轴
|
2Cr13
|
304
|
|
密封圈
|
PTFE
|
PTFE
|
|
阀座
|
2Cr13
|
2Cr1+STL
|
|
填料
|
PTFE+O形圈
|
PTFE+O形圈
|
|
适用介质
|
水、油、蒸汽等
|
水、油、蒸汽等
|
|
适用温度
|
-29-200℃
|
-29-200℃
|
|
蜗轮四通换向阀
|
ZQ后插入“3”表示,示例:ZQ346F-16C
|
|
|
气动四通换向阀
|
ZQ后插入“6”表示,示例:ZQ646Y-150LbC
|
|
|
电动四通换向阀
|
ZQ后插入“9”表示,示例:ZQ946Y-100
|
|
|
公称通径DN
|
50
|
65
|
80
|
100
|
125
|
150
|
200
|
250
|
300
|
350
|
400
|
500
|
600
|
|
L
|
240
|
260
|
280
|
320
|
380
|
440
|
670
|
760
|
850
|
980
|
1080
|
1360
|
1750
|
|
L1
|
120
|
130
|
140
|
160
|
190
|
220
|
335
|
380
|
425
|
490
|
540
|
680
|
875
|
|
H
|
325
|
335
|
360
|
370
|
420
|
440
|
49
|
520
|
610
|
700
|
800
|
900
|
1000
|