|
用 途
|
|||
|
弹性金属密封蝶阀采用“U”型不锈钢密封圈,该阀精密的弹性密封圈与经过镀铬抛光的蝶板密封面接触,二者有机的结合,具有耐高温、高压、低温等特点,因此被广泛应用于介质温度≤550℃的供热、供汽、供水及煤气、油品、酸碱等不同介质的管路上作调节流量、截断或接通流体。
|
|
|
|
|
结构特点 |
|
||
|
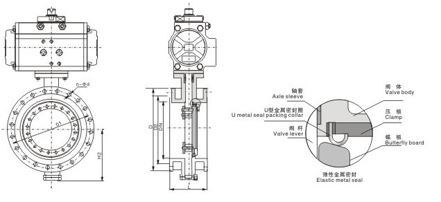
双偏心密封结构阀杆轴线与蝶板密封面间偏置一个尺寸A,并与阀体通道轴线偏置一个尺寸B。当蝶板从0°~90°开启时,蝶板的密封面会比单偏心更快地脱离阀座密封面,当蝶板从0°转动至8°~12°时蝶板密封面即可完全脱离阀座密封面,从而使蝶阀在启闭过程中,蝶板与阀座的密封面之间相对机械磨损、挤压转角行程更短,从而使机械磨损、挤压变形更为降低,蝶阀的密封性能及使用寿命更为提高。 1、采用“U”型不锈钢密封圈,阀座具有一定的弹性,无论在高温、低温的情况下,它与蝶板均具有优良的密封性。 2、是金属对金属线密封蝶阀,蝶板密封面采用堆焊不锈钢或堆焊硬质合金,密封面耐磨损,使用寿命长。 3、蝶板流线设计、通杆、耐磨轴套等参数使本蝶阀具有优良的密封性,耐温、耐压、耐磨、耐腐蚀。 4、该阀可设计成法兰连接和对夹连接。 5、驱动方式可选择手动、电动或气动。 |
|
||
|
密封副结构 |
|||
![]() |
|||
|
蝶板的回转中心(即阀杆的中心)与蝶板密封截面偏置一个尺寸α,并与阀体通道轴线偏置一个尺寸β。
当双偏心蝶阀处全开状态时,其蝶板密封面会完全脱阀座密封面,形成一个间隙γ,使蝶板的回转半径分为长半径和短半径,在长半径转动的大半圆上,蝶板密封面转动轨迹的切线会与阀座密封面形成一个θ角,在阀门启闭时,蝶板密封面相对阀座有一个渐出脱离和渐入挤压的作用,从而降低了启闭时蝶板和阀座之间的机械麻损和擦伤。 |
|
||
![]() |
采用不锈钢金属U型圈或O型圈阀座,即满足了高温工况的需求,又增强了阀座的弹性。
|
|
|
|
■阀体材料 碳钢 (WCB、WCC、LCB) 铬钼钢 (WC5、WC6、WC9) 合金钢
不锈钢 (CF3、CF8、CF3M、CF8M、ZG1Cr18Ni9Ti、ZG1Cr18Ni12Mo2Ti) ■内件材料 不锈钢 ( 2Cr13、1Cr18Ni9、1Cr18Ni9Ti、1Cr18Ni12Mo2Ti、304、316、304L、316L ) 碳钢 铬钼钢 特殊钢 ■连接形式 法兰、对夹、对焊、凸耳对夹 ■驱动方式 手动、蜗轮传动、电动、气动、 |
|||
